Kích thước gen hộp là yếu tố quan trọng khi thi công hệ thống điện, giúp đảm bảo tính thẩm mỹ, an toàn và dễ dàng bảo trì. Việc lựa chọn đúng kích thước không chỉ giúp bảo vệ dây điện hiệu quả mà còn tối ưu không gian lắp đặt. Trong bài viết này, hãy cùng Hồng Đăng tìm hiểu chi tiết về các loại kích thước gen hộp phổ biến và cách chọn phù hợp.
1. Gen hộp là gì?
Gen hộp (còn gọi là nẹp điện) là một loại ống luồn dây điện có thiết kế dạng hộp chữ nhật, thường được sử dụng để đi dây điện nổi trên bề mặt tường, trần hoặc sàn nhà. Sản phẩm này giúp sắp xếp dây điện gọn gàng, tăng tính thẩm mỹ cho không gian, đồng thời bảo vệ dây dẫn khỏi các tác động bên ngoài.
Gen hộp thường được sản xuất từ nhựa PVC cao cấp, có đặc tính cách điện tốt, hạn chế cháy lan và chịu được các điều kiện môi trường thông thường. Nhờ cấu tạo cứng cáp, bề mặt kín và có nắp đậy, gen hộp giúp ngăn bụi bẩn, côn trùng hoặc va đập ảnh hưởng đến dây điện bên trong.

2. Chi tiết hộp kỹ thuật
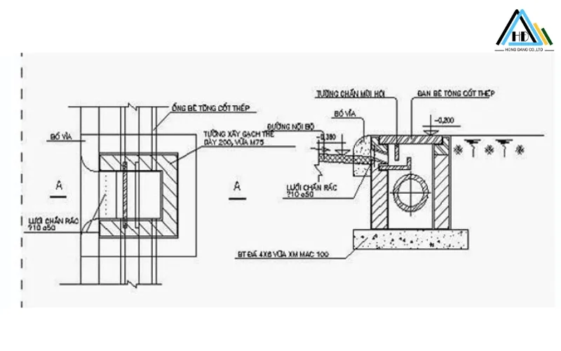
Hộp kỹ thuật (hộp gen) thường được thiết kế âm tường nhằm đảm bảo an toàn cho hệ thống kỹ thuật bên trong, đồng thời tăng tính thẩm mỹ, giúp không gian gọn gàng và chuyên nghiệp hơn. Tùy theo phương pháp thi công và vật liệu sử dụng, hộp kỹ thuật có thể được cấu tạo từ các thành phần sau:
Gạch và bê tông (hộp gen xây truyền thống: Đây là phương pháp thi công phổ biến trước đây, sử dụng gạch và bê tông để xây dựng trực tiếp tại công trình. Tuy nhiên, cách làm này thường tốn nhiều thời gian thi công, chi phí vật tư và nhân công cao, đồng thời khó kiểm soát chất lượng đồng đều, nên hiện nay ít được ưu tiên sử dụng.
Hộp gen đúc sẵn GRC (Glassfiber Reinforced Concrete): Loại này được sản xuất từ hỗn hợp bê tông, sợi thủy tinh kháng kiềm và các phụ gia hóa dẻo, giúp tăng độ bền, giảm trọng lượng và chống nứt hiệu quả. Hộp gen GRC được đúc sẵn theo kích thước tiêu chuẩn nên dễ lắp đặt, rút ngắn thời gian thi công và đảm bảo tính đồng nhất về chất lượng.
Việc lựa chọn loại hộp kỹ thuật phù hợp sẽ giúp tối ưu chi phí, nâng cao độ bền công trình và thuận tiện hơn trong quá trình bảo trì, sửa chữa hệ thống kỹ thuật sau này.

>>XEM THÊM:
- Kéo cắt ống nhựa: Công dụng, phân loại và cách chọn mua phù hợp
- Ống ruột gà luồn dây điện – Giải pháp bảo vệ hệ thống điện an toàn
3. Các kích thước gen hộp phổ biến
Hiện nay, gen hộp được sản xuất với nhiều kích thước khác nhau nhằm đáp ứng đa dạng nhu cầu sử dụng từ hệ thống điện đơn giản đến phức tạp. Việc lựa chọn đúng kích thước không chỉ giúp đảm bảo tính thẩm mỹ mà còn thuận tiện trong thi công và bảo trì sau này. Dưới đây là một số kích thước gen hộp phổ biến trên thị trường:
- 10×20 mm: Đây là loại gen hộp nhỏ, thường được sử dụng cho 1–2 dây điện có tiết diện nhỏ như dây tín hiệu, dây internet hoặc hệ thống điện đơn giản trong gia đình.
- 12×25 mm: Kích thước này phù hợp với các hệ thống dây điện dân dụng cơ bản, có thể luồn được nhiều dây hơn so với loại nhỏ, thường dùng cho phòng ngủ, phòng khách.
- 14×30 mm: Được sử dụng khi cần luồn nhiều dây điện hơn hoặc dây có tiết diện lớn hơn. Loại này phù hợp với các khu vực có mật độ dây điện trung bình như văn phòng hoặc cửa hàng.
- 20×40 mm: Đây là kích thước lớn hơn, thích hợp cho hệ thống điện có nhiều dây hoặc kết hợp nhiều loại dây khác nhau như dây điện, dây mạng, dây truyền hình cáp.
- 25×50 mm: Thường được sử dụng trong các công trình lớn, nhà xưởng hoặc khu vực có hệ thống điện phức tạp, cần luồn nhiều dây với kích thước lớn, đảm bảo không gian bên trong rộng rãi và dễ thao tác.
Ngoài các kích thước trên, thị trường còn cung cấp nhiều loại gen hộp có kích thước lớn hơn hoặc thiết kế riêng theo nhu cầu thực tế của từng công trình. Việc lựa chọn kích thước phù hợp sẽ giúp hệ thống dây điện hoạt động ổn định, an toàn và dễ dàng nâng cấp khi cần thiết.
4. Cách lựa chọn kích thước gen hộp phù hợp
Để đảm bảo hệ thống điện hoạt động an toàn, gọn gàng và dễ bảo trì, việc lựa chọn đúng kích thước gen hộp là rất quan trọng. Dưới đây là những yếu tố khách hàng cần cân nhắc:
4.1. Số lượng dây điện
Số lượng dây luồn bên trong gen hộp ảnh hưởng trực tiếp đến kích thước cần chọn. Nếu chỉ có ít dây, khách hàng có thể sử dụng gen hộp kích thước nhỏ để tiết kiệm chi phí và tăng tính thẩm mỹ. Ngược lại, với hệ thống có nhiều dây, nên chọn gen hộp lớn hơn để tránh tình trạng chèn ép, gây khó khăn khi thi công và sửa chữa.
4.2. Tiết diện dây điện
Không chỉ số lượng, kích thước (tiết diện) của dây điện cũng là yếu tố quan trọng. Dây có tiết diện càng lớn thì cần gen hộp có không gian rộng hơn để đảm bảo dễ luồn dây, hạn chế sinh nhiệt và tránh ảnh hưởng đến lớp cách điện.
4.3. Môi trường lắp đặt
Tùy vào vị trí thi công mà lựa chọn loại gen hộp phù hợp. Với môi trường trong nhà, khách hàng có thể sử dụng gen nhựa PVC thông thường. Trong khi đó, nếu lắp đặt ngoài trời hoặc nơi có điều kiện khắc nghiệt, nên chọn gen hộp có độ dày cao, khả năng chịu lực và chống va đập tốt để tăng độ bền.
4.4. Tính thẩm mỹ
Kích thước gen hộp phù hợp sẽ giúp đường đi dây gọn gàng, cân đối với không gian, đặc biệt là trong các công trình dân dụng, văn phòng hoặc cửa hàng. Tránh chọn gen quá to gây thô hoặc quá nhỏ khiến dây bị chèn ép, mất thẩm mỹ.
Việc cân nhắc đầy đủ các yếu tố trên sẽ giúp khách hàng lựa chọn được kích thước gen hộp tối ưu, đảm bảo cả về kỹ thuật lẫn tính thẩm mỹ cho công trình.

5. Ưu điểm khi sử dụng gen hộp đúng kích thước
Việc lựa chọn đúng kích thước gen hộp không chỉ giúp thi công thuận tiện mà còn đảm bảo an toàn và độ bền cho toàn bộ hệ thống điện. Cụ thể:
Bảo vệ dây điện hiệu quả: Gen hộp có kích thước phù hợp sẽ bao bọc dây điện một cách vừa vặn, giúp hạn chế va đập, bụi bẩn và các tác động từ môi trường bên ngoài.
Giảm nguy cơ quá tải, chập cháy: Khi dây điện không bị chèn ép trong không gian quá chật, khả năng tản nhiệt sẽ tốt hơn, từ đó hạn chế tình trạng nóng dây và giảm nguy cơ chập cháy.
Dễ dàng thi công và bảo trì: Gen hộp đủ rộng giúp việc luồn dây, thay thế hoặc kiểm tra hệ thống trở nên nhanh chóng, tiết kiệm thời gian và công sức.
Tăng tính thẩm mỹ cho công trình: Kích thước gen hộp phù hợp giúp đường đi dây gọn gàng, cân đối với không gian, tạo sự chuyên nghiệp và sạch sẽ.
6. Lưu ý khi thi công gen hộp
Để hệ thống điện vận hành ổn định và an toàn, trong quá trình lắp đặt gen hộp khách hàng cần chú ý:
- Không nhồi quá nhiều dây vào gen: Việc nhồi quá nhiều dây sẽ gây chèn ép, khó tản nhiệt và tiềm ẩn nguy cơ hư hỏng lớp cách điện.
- Cố định gen chắc chắn: Sử dụng vít, tắc kê hoặc keo chuyên dụng để cố định gen hộp vào tường hoặc trần, tránh tình trạng lỏng lẻo, rơi rớt trong quá trình sử dụng.
- Tránh lắp đặt gần nguồn nhiệt cao: Nhiệt độ cao có thể làm biến dạng gen nhựa hoặc ảnh hưởng đến chất lượng dây điện bên trong.
- Kiểm tra kỹ trước khi cấp điện: Sau khi hoàn thiện thi công, cần kiểm tra lại toàn bộ hệ thống để đảm bảo dây được luồn đúng kỹ thuật, không bị hở hoặc hư hỏng trước khi đưa vào sử dụng.
Tuân thủ đúng các nguyên tắc trên sẽ giúp hệ thống điện vận hành ổn định, an toàn và bền lâu theo thời gian.

Kích thước gen hộp là yếu tố không thể bỏ qua khi thi công hệ thống điện đi nổi. Việc lựa chọn đúng kích thước sẽ giúp hệ thống hoạt động ổn định, an toàn và bền bỉ theo thời gian.
Hy vọng bài viết trên của Hồng Đăng đã giúp khách hàng hiểu rõ hơn về các loại kích thước gen hộp và cách lựa chọn phù hợp cho công trình của mình.
>>THAM KHẢO THÊM TẠI:
- Côn thu PVC là gì? Đặc điểm, công dụng và cách lựa chọn phù hợp
- Có nên đi dây điện trong ống gen? Ưu điểm và những lưu ý quan trọng
- Ống thoát nước bồn rửa chén: Cấu tạo, cách lắp đặt và lưu ý khi sử dụng



